渦流タービンポンプ(カスケードポンプ) シールレス ステンレス
特長
NPD型(従来渦流ポンプ)に比べ消費電力をトータルで50%削減
・NDX型はポンプ自体で▲30%、さらに可変速制御で▲20%、合計▲50%の電力消費を実現・加えて間接的なLCCの節電効果により、SDGs、カーボンニュートラルの目標達成を強力にサポート
従来ポンプでは…仕様に対してピンポイントでの対応は不可能
→性能が不足したり、無駄な動力を消費
NDXでは…要求仕様に対して、インバータ制御により使用範囲でピンポイント運転が可能

詳細については動画をご覧ください。
少流量高揚程領域で比類なし、信頼性と耐久性を高め装置バリューを向上
・羽根車は非接触回転構造で部品摩耗がなく長寿命・配管抵抗の変化にも吐出量変化が僅か
・要求ポイント(配管、発熱部 etc)へ常に十分な液を供給

装置の小型化で設置スペースを縮小、見えないコストも削減
・フットプリントの最小化とポンプ吐出側配管の絞込みで、配管機材や機器を小型化・装置サイズを最小に抑え、装置コストをさらに削減

インバータ制御により高効率規制をクリア
・サイクル違い機種の統合で生産ロット数を倍増、生産原価と管理コストを大幅削減・移送液の過剰供給を抑え、資源の有効活用を実現
優れた機能で装置の付加価値を向上
・1台のポンプで-100℃~+160℃の幅広い温度範囲に対応・信頼のキャンドモータポンプにより液漏れ事故を撲滅
通常の運転条件であれば、5年間メンテナンスフリーを実現
・付属するインバータや運転監視モニター(オプション)の増加コストは、
LCC(ライフサイクルコスト)*の大幅削減により短期間で回収、
SDGsやカーボンニュートラルの目標を早期に達成
* 二次的電力削減とメンテナンス費用、チラー費用など

予想曲線

標準仕様
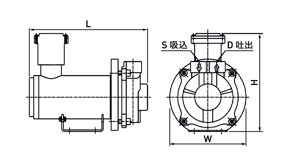
外形図

寸法表

動画
よくあるご質問
渦流タービンポンプとはどのようなポンプですか?
羽根車の外周に放射状の多数の溝を持っており、羽根車の押す力と遠心力によって渦を形成し圧力を高めることで液体を移送するポンプです。
特徴は「少流量・高揚程」「圧力変化による流動変動が少ない」「低粘度の液体も移送可能」なことです。
特徴は「少流量・高揚程」「圧力変化による流動変動が少ない」「低粘度の液体も移送可能」なことです。
渦流タービンポンプの予想曲線はどのように見たらいいですか?
X軸が流量、Y軸が全揚程となります。流量が少ないほど全揚程は高くなり、流量が多いほど全揚程は低くなります。また、モータ軸動力は少流量になるにつれて大きくなりますので使える範囲に限界があります。要求仕様をポインティングし、ご希望の仕様を満たすかご確認ください。
渦流タービンポンプの最少流量はどれくらいですか?
モータ軸動力・ポンプの耐圧・温度上昇の3つの条件により最少流量は決まります。各製品ごとの予想曲線をご参照頂き、詳しくは最寄りの弊社営業所へお問い合わせください。






従来の渦流ポンプ主力機種に比べ、消費電力を最大50%削減